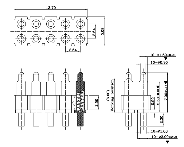
8-পিন 2-সারি সংযোগকারী
পরীক্ষাগারটি ISO/IEC17025 সিস্টেম স্ট্যান্ডার্ড অনুযায়ী তৈরি করা হয়েছে। এটিতে বিশ্বের শীর্ষস্থানীয় সম্পূর্ণ গরম বায়ু রিফ্লো মেশিন, লবণ স্প্রে টেস্টিং মেশিন, ধ্রুবক তাপমাত্রা এবং আর্দ্রতা মেশিন, তাপীয় শক টেস্টিং মেশিন এবং অন্যান্য সরঞ্জাম রয়েছে, যা পণ্যের নির্ভরযোগ্যতা কর্মক্ষমতা পরীক্ষা সহ সমস্ত পরিবেশগত পরীক্ষাগুলি উপলব্ধি করতে পারে।

প্রকল্পটিতে অনেকগুলি দিক জড়িত: প্রক্রিয়াকরণ প্রযুক্তি, প্রক্রিয়াকরণের পদ্ধতি, পণ্য সামগ্রী ইত্যাদি৷ কিন্তু মূলত, এগুলি সব পরিপক্ক ডিজাইন এবং প্রক্রিয়াকরণ কৌশল, যা আমরা সম্পূর্ণরূপে বিকাশ করতে পারি৷